全国服务热线:
400-816-1636
菜单

扫一扫关注公众号
YG-RFID型创新教学实验系统适合于支持射频识别RFID原理与应用、射频识别RFID技术等系列课程的实验教学。系统包含125KHz的LF低频???、13.56MHz的HF高频???、915MHz的UHF超高频??椤?3.56MHz的HF高频原理机???、2.4GHz的Active RFID??椤ortex A8双核多功能嵌入式网关???。学生通过学习相关RFID实验,掌握低频、高频、超高频及有源RFID的国际标准、原理与技术。
1、系统完整性:
a.涵盖LF、HF、UHF、有源RFID及原理机。
b.实验内容涉及国际标准协议分析、RFID原理及应用。
2、先进性:
a.采用??榛杓疲砑远?,即插即用,每个??榭啥懒⑹褂?。
b.包含ISO/IEC11784/11785、ISO15693、ISO14443A/B、ISO18000-3、FeliCaRFID、NFC IP-1(ISO/IEC 18092)、NFC IP-2(ISO/IEC 21481)NFC协议、EPC global UHF Class 1 Gen 2、ISO 18000-6B 、IP-X Version1.07、ISO18000-6C等协议解析。
c.高频采用TI TRF7970A芯片支持NFC近场支付;超高频采用IMPINJ R2000芯片,读取准确性更好、范围更广,同时符合全球监管标准;原理机采用ARM+FPGA架构,完整展现RFID芯片设计。
3、开放性:
系统开放所有软硬件设计资源。
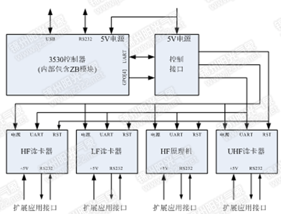
RFID创新教学实验系统采用??榛杓?,由UHF超高频部分、HF高频部分、LF低频125K部分、HF高频原理机部分、Active RFID、嵌入式网关及通用供电通信底板等7部分组成。各个模块可以单独使用形成独立的功能单元,也可以全部插接到底板形成完整的系统,系统具备智能扫描功能,可自行扫描当前接入的所有???。
系统框图
![]() LF低频部分 |
125KHz 低频RFID读写器??椋诠时曜夹榭?,采用美国ATMEL公司生产的高集成度RFID专用芯片U2270B设计而成。发射频率为120KHz—150KHz,典型发射频率为125KHz,采用曼彻斯特和双相编码。支持低功耗模式。支持6种睡眠模式:空闲模式、ADC噪声抑制模式、省电模式、掉电模式、Standby模式、扩展的Standby模式。 |
![]() HF高频部分 |
13.56MHz高频RFID读写器模块,采用美国TI公司最新的低功耗RF射频芯片TRF7970A,支持ISO15693、ISO18000-3、ISO14443A/B、FeliCaRFID协议、支持NFC标准NFCIP-1(ISO/IEC 18092)和NFCIP-2(ISO/IEC 21481)。内部集成编码器、解码器和NFC收发器,可工作于主动及被动模式,同时具备独立查询模式和快速标签识别模式,用于读写器快速查询标签,支持三种速率:106Kbps、212Kbps、424Kbps。 |
![]() UHF超高频部分 |
UHF超高频部分采用全球知名超高频IC厂家Impinj(英频杰)公司的RF收发器R2000芯片,工作频率为840-960MHz,芯片内部集成功率放大器,输出功率可配置(最高可配置到17dBm),同时配置外部功率放大器(最高可配置到32.5dBm),可为高性能应用提供额外功放支持。在大功率和连接大增益天线的情况下,可以稳定可靠读取30-50米距离范围的标签。双通道,双天线配置,2个经过特别优化的高性能50Ω MMCX天一个隔离天线或者两个一体天线。 空中协议支持EPC bal UHF Class 线端口,可配置成1 Gen 2/ISO 18000-6C、ISO 18000-6B。采用DSB、SSB与调制,支持IP-X Version1.07,支持密集读写器模式(DRM),可配置成其它协议。灵敏度为:-95dBm(DRM)-110dBm(LBT),采用载波消除技术,读取速度快、范围广,相位噪声低,符合全球监管标准。 |
![]() HF高频原理机 |
HF高频原理机采用ARM+FPGA架构,结合外部分立器件,实现完整的RFID芯片设计。工作在13.56MHz频段,支持ISO15693、ISO14443A/B协议,全面展现了RFID芯片底层的原理,包括信号编码、信号调制、载波、信号放大、信号解调、功率控制、逻辑控制、协议实现等,同时模块上具有多个测试点,可以通过示波器能够观测到RFID读写器整个工作流程关键点的信号,包括编码信号、载波信号、调制信号、调制载波信号、功率放大信号、解调信号等。可以观测ISO15693标准规范下的15个强制指令和可选指令的执行情况,电子标签的响应情况。用户可以通过此单元掌握RFID的原理以及实现方法。 |
![]() Zigbee Active RFID |
Active RFID采用TI公司的RF芯片CC2530F256,可实现ActiveRFID的ID识别及传感数据采集传输。 小型一体式模块化设计,纽扣电池供电,可以通过上位机动态修改采集及休眠间隔,超低功耗模式,采用全球知名的微型天线厂家英国Antenova天线。通信??椴捎弥髁髁惆寮坝势笨咨杓?,性能稳定可靠,抗干扰能力强。 ??榧啥喔龃衅鞑考?包括温度传感器、湿度传感器、光照度传感器、三轴加速度传感器。 |
![]() 嵌入式网关 |
嵌入式网关采用TI公司的双核达芬奇架构微控制器OMAP3530作为主控制器,该处理器在单一的芯片上集成了600-MHz ARM Cortex-A8 Core、430-MHz TMS320C64x+ DSP Core、POWERVR SG™ 2D/3D加速引擎以及丰富的多媒体外设。 嵌入式网关底板集成主流各种无线通信??椋ǎ夯狦SM/GPRS无线广域网通信??椤⒂⒐鶤ntenova GPS全球定位???、美国TI Zigbee低功耗数据传输模块、台湾Jorjin蓝牙+WIFI+FM近距离通信及网络接入???。 |
| 通用供电通信底板 | 通用供电通信底板为整个RFID系统中的各个模块提供供电,同时完成各个功能单元的通信连接,通信底板预留多个插接口,各个模块可随意插接,无需人为干预或编号,系统会自动识别当前所连接的各个??椤?/td> |
1、软件资源
| 软件资源 | 备注 |
|---|---|
| LF Module Package | ATA2270 PC Application、2270 API、AVR固件下载程序 |
| HF Module Package | CCS4.2开发环境、固件源码、RFID读卡程序、 |
| UHF Module Package | Indy_sdk、R2000例子、R2000烧写程序及固件、Indy Tools、Indy API |
| HF 原理机Package | VHDL源码包、M3固件源码包、IAR For ARM 6.30、 |
| ActiveRFID Package | IAR For 51 V8.1、固件源码包 |
| Gateway Package | WinCE6.0 BSP、kernel Image、SDK、Kernel Project |
2、实验列表
| 实验列表 | |
|---|---|
| 1、RFID原理机实验 RF基本原理 实验一:RFID编码 实验二:RFID系统载波产生 实验三:RFID信号调制 实验四:RFID末级输出调制载波信号 实验五:RFID调制解调----ASK模式 实验六:RFID调制解调----FSK模式 实验七:RFID调制解调----PSK模式 实验八:副载波调制/解调 实验九:RFID天线 ISO15693协议标签操作 实验一:ISO15693协议规定 实验二:RFID设备信息 实验三:RFID版本信息 实验四:RFID模式设置 实验五:读卡总量指令(盘点) 实验六:保持静默状态指令 实验七:读单个块指令 实验八:写单个块指令 实验九:锁块指令 实验十:选择指令 实验十一:读多个块指令 实验十二:获取标签信息指令 实验十三:进入就绪状态指令 实验十四:获取多个块安全状态指令 实验十五:写AFI指令 实验十六:锁AFI指令 实验十七:写DSFID指令 实验十八:锁DSFID指令 实验十九:固件烧写 实验二十:网关实验 2、RFID低频实验: 实验一:Get Revision Information 实验二:Play Sound 实验三:RF Field Control 实验四:Output Enable Control 实验五:Standby Control 实验六:Antenna Tuning Control 实验七:Reader/Tag Selection 实验八:Set Write Timings 实验九:Set Read Timings 实验十:Tag Field 实验十一:Set Write Mode 实验十二:Basic Mode Write 实验十三:Set Read Modulation Type 实验十四:Read Sequence Start 实验十五:Read Complete Animal ID 实验十六:Read Simple Animal ID 实验十七:Read Manufacturing Data 实验十八:Write Complete Animal ID 实验十九:Write Simple Animal ID 实验二十:LF网关实验 实验二十一:板级关键测试点波形 实验二十二:固件烧写 实验二十三:网关实验 |
3、RFID高频实验: 实验一:Inventory 命令实验 实验二:Stay quiet命令实验 实验三:Select命令实验 实验四:Reset to ready 命令实验 实验五:(写应用标志位)Write AFI 实验六:Lock AFI 命令实验 实验七:Read single block 命令实验 实验八:Write single block命令实验 实验九:Lock block命令实验 实验十:Read multiple block命令实验 实验十一:Write DSFID命令实验 实验十二:Lock DSFID命令实验 实验十三:Get system information命令实验 实验十四:Get multiple block security status命令实验 实验十五:RC循环冗余实验 实验十六:SO15693防冲撞原理 实验十七:HF网关实验 实验十八:固件下载 实验十九:网关实验 4、RFID超高频实验: 实验一:Select命令及应答 实验二:Read命令及应答 实验三:Write命令及应答 实验四:Kill命令及应答 实验五:Lock命令及应答 实验六:BlockWrite命令及应答 实验七:BlockErase命令及应答 实验八:单个标签应答实验 实验九:多标签应答实验 实验十:标签访问(读写操作等)实验 实验十一:CRC-16编码解码实验 实验十二:标签错误应答实验 实验十三:UHF槽计数器 实验十四:UHF数据流交换 实验十五:固件下载 实验十六:网关实验 5、Active RFID实验 实验一:ACTIVE RFID串口通信实验 实验二:ACTIVE RFID无线收发实验 实验三:ACTIVE RFID传感数据采集实验 实验四:网关实验 6、综合实训实验 实验一:DLL应用实例实验 实验二:低频ID卡实例实验 实验三:ISO15693/ISO14443实例实验 实验四:ISO18000-6C实例实验 7、RFID应用方案及演示 实验一:基于ACTIVE RFID精准物流系统 实验二:基于高频RFID职工考勤管理系统 实验三:基于超高频RFID职工管理考勤管理系统 实验四:图书馆管理系统 |