全国服务热线:
400-816-1636
菜单

扫一扫关注公众号
近年来随着可再生能源的快速发展和电力系统的智能化升级,正迎来前所未有的发展机遇。储能箱作为储能技术的核心载体,其原理和应用正日益受到广泛关注。而YG-WSD 温湿度记录仪作为其中的配套设备,可监测环境温湿度参数,它以小巧便携、超长待机、精准可靠等优势被广泛应用在各类型储能箱、预制舱以及工厂内部等领域。

1. 便携小巧,外形美观;
2. 合金材质,便于安装固定;
3. 低功耗,内嵌锂亚硫酰氯电池,超长待机;
4. 可监测环境温湿度参数,也可根据用户需求定制;
5
6. RS485输出,标准Modbus协议,数据传输稳定可靠;
7. 自带大容量存储器,可随时查看历史数据;
8. 性价比高、功能完备。
|
YG-WSD 温湿度记录仪 基本技术参数
|
|||
|
供电电源
|
锂电池自供电/外接DC24V
|
||
|
输出
|
RS485,标准Modbus协议
|
||
|
工作电流
|
节能模式:约40μA 非节能模式(通信):约18mA
|
||
|
自带线缆
|
规格:4*24AWG,线长1米
|
||
|
重量
|
<1kg
|
||
|
外形尺寸
|
185*139*78mm
|
||
|
防护等级
|
IP62
|
||
|
防腐等级
|
C3
|
||
|
色号
|
GSB05—1426—2001 77 GY09 冰灰
|
||
|
工作温度
|
-30℃~+70℃
|
||
|
工作湿度
|
0~+100%RH(无凝露)
|
||
|
备电时间
|
出厂起1年(节能模式,采样间隔60min条件下)
|
||
|
电池电压
|
额定:3.6V(常温)
为保证备电时间,低于3.5V建议更换电池
|
||
|
波特率
|
出厂默认9600
|
||
|
通讯协议
|
标准Modbus协议
|
||
|
采样间隔
|
1~60min(可设),出厂默认60min
|
||
|
存储容量信息
|
8万组数据
|
||
|
监测要素技术参数
|
|||
|
监测要素
|
测量范围
|
精度
|
分辨率
|
|
大气温度
|
-40~+70℃
|
±0.2℃
|
0.1℃
|
|
大气湿度
|
0~+100%RH
|
±3%RH
|
0.1%RH
|
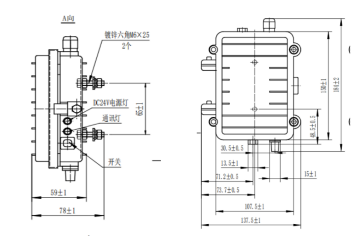
产品采用专业户外工艺,合金材质,小巧便携,便于安装固定。外形结构图如下:

多台温湿度记录仪也可以通过阳光智慧云平台进行组网监测,实现数据的多站点远程管控、横向对比,为运维管理人员提供方便。



