全国服务热线:
400-816-1636
菜单

扫一扫关注公众号
一、概述
太阳能中高温技术的开发是人类对太阳能应用技术的又一次提高,使太阳能的应用范围更加扩大,在工业上的太阳能利用得已实现。TRM-2BN型太阳能中高温槽式集热器试验系统是研究中高温太阳能技术的平台,集成了前沿的太阳能产品技术与测试技术,演示了太阳能各过程的运行效果。是生产厂家,科研机构,教学领域的理想试验系统。

系统构成:
A.太阳能槽式聚光集热器;
B.太阳能中高温集热器控制运行系统;
C.太阳能中高温集热器热性能测试系统。
A.太阳能槽式聚光集热器
(1)性能指标:槽式太阳能聚焦光带温度达到200℃(可有15℃上下一定量的浮动量);槽式太阳能集热器镜面开口弦长2.5m,单位支架反光有效镜面长6米,总安装组数2组,合计面积30平方米。
抗风指数:不低于7级风,7级以下风力可正常运转,7级以上槽式系统停止运转。
(2)槽式支架连接方式是焊接及螺栓连接。按国家标准喷涂防腐漆,除锈去毛刺,表面喷塑处理。
( 3 )反光镜面为钢化镀银,反光效率85%以上。
(4)驱动跟踪系统按国家标准使聚焦光带一直维系在集热管上,误差不超过1cm。
(5)吸热管内径为ø40mm的双通真空集热管。
(6)集热器两端口各接出2米长(共4米)金属管路,该管路内径约40mm,外部包有壁厚至少30mm的保温材料。整体集热系统的保温性能要符合太阳能行业标准。
B.太阳能中高温集热器控制运行系统
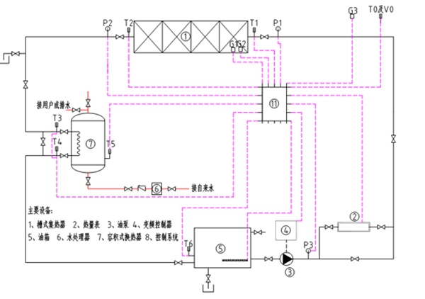
1、运行原理:
主要由导热油循环子系统以及水循环子系统组成,两个子系统的交汇处为容积式换热器。导热油子系统为开式系统,在原理图中管线为黑色,管线管径为DN32;水循环系统为闭式系统,管线管径为DN20,在原理图中管线为红色。整个系统按照导热油最高温度260℃,压力0.6MPa,水最高温度200℃,压力1.6MPa设计。
2、材料设备规格要求:
导热油应选取在无毒、对金属无腐蚀、起镏点高、闪点高、粘度小、不易结焦、不易堵塞管道、载热量大、热稳定性好、使用寿命长的。其中必须满足常压下-30℃至260℃范围内为液相,粘度越小越好,导热油需要500L。
3、热量表(油系统)
耐温260℃,耐压0.6MPa,测量范围为体积流量0-6m3/h,精度0.1级,可以显示及输出质量流量、进出口温度、瞬时热流、累计热量,与主控制系统匹配。
4、油泵(油系统)
流量Q=6m3,扬程H=15m ,380V电压, 耐温260℃,耐压0.6MPa,配套符合使用条件的减震接头及过滤器。
5、变频控制器
与油泵及主控制系统匹配,可以在系统流量改变情况下保持油泵出口压力基本恒定。
6、油箱(油系统)
容积V=0.2m3、不锈钢材质,耐温260℃,带2kw电加热,带可视液位计,带排污口、温度传感器接口、油箱六面均带200mm硅酸铝保温,外包0.5mm镀锌钢板保护层。
7、水处理器
口径DN20,可以选用永磁水处理或其他方式,主要为防止水高温结垢。
8、容积式换热器(油系统与水系统结合)
2m3承压立式,油水换热换热系数K>300 W/ m2·℃,换热面积A>4 m2,带安全阀接口、压力表接口、温度计接口、温度传感器接口、排污口,配套安全阀(开启压力1.7MPa)、压力表、温度计、排污阀。管程走油,耐温260℃,耐压0.6MPa,在油流量5m3/h,温度100℃时管程阻力损失小于0.05MPa,盘管易于拆装清洗;壳程容水,壳程承压2.0MPa,耐温200℃。此容积式换热器外包150mm硅酸铝保温,外包0.5mm镀锌钢板?;げ?。
9、TRM-2BM-KG1型太阳能中高温集热器系统控制柜
太阳能集热器系统控制柜是将测试仪器与运行设备中的控制部分集成一体的综合自动控制装置,其采用微机控制技术对水泵,流量,压力,温度等设备进行集中测试与控制。并使测试数据自动登录微机,打印检测报告,使检测过程自动进行,提高工作效率。
A.控制台结构:钢制结构,表面喷塑处理,室外全天侯工作结构,测量仪器嵌入式安装,尺寸:1100×800×750。
B.系统供电:380V(±10%),50Hz(±2%)。
C.控制方式:手动输入信息,自动完成控制,光电指示运行状态。
D.由交流接触器组成控制逻辑开关,实现各路工作切换。
E.通过微机通讯接口实现测试仪器的数据共享,同时发出控制信息。
F.安全保护功能,负载过流过温,自动断电。
G.控制通道:小于60路,检测通道:小于80路。
H.控制负载:小于20A/路。
L.控制系统选用PLC+触摸屏的型式。控制系统应与压力传感器、温度传感器、热量表、辐照仪等测试仪表匹配兼容,还应与所有被控制设备匹配,所有被控制设备都可以切换手动或自动运行。带有巡检记录仪,数据自动储存,可以无线上网传输数据,可以完成积分运算,输出计算结果报表,控制系统采用触摸屏形式,整个控制系统可以做到无人值守,自动运行。
M.变频调速技术的流量调节与控制。
利用恒压水箱、泵和流量控制阀,精密流量传感器等调节控制工质流量,并保证流量稳定性在±1%以内。系统采用变频调速技术对油泵的流量进行任意调节,变频器为进口产品,可以实现网络化控制,精度较高.在真空管太阳集热器出口处和其它可能积聚空气的地方安装了放气阀,管路设有稳流装置,时刻保证试验其间的稳流要求。
10.全自动水油路运行控制装置:
A.系统装有高温电磁阀组,采用逻辑组合管路结构,与变频泵配合,通过智能控制器,自动实现水路进入,流出,测试等功能。
B.系统按照工业标准设计,管路具有过压,排气,过滤等?;ぷ爸?保证室外全天侯工作 ,保温等级:3级
C.与集热器连接为专业高温试验管, 管路设有传感器接口,可以安装 (管路压力,水温,流量) 测量传感器.
D.油路系统:所有上和下及管件使用不锈钢材质,管件、阀门等采用品牌产品,管路必须到底零泄漏
试验系统原理图:

C.太阳能中高温集热器热性能测试系统

(一)试验方案及要求
1、太阳辐照:
共有3块辐照表,分2处布置,G1为总辐射表,G2为直接辐射表,布置在集热器开口平行平面,G3为总辐射表,布置在固定高度角平面。测试范围0~2000w/m2,测试精度为士1%,输出信号需要与控制系统匹配,数据要参与计算。
2、热量(流量测点):
测量准确度:≤1%,测量分辨率:≤0.05m3/h,耐温260℃,耐压0.6MPa,阻力损失小于0.01 MPa,数据要参与计算。
3、温度:
共7个,分7处布置,环境温度T0、集热器进出口T1T2、容积式换热器油路进出口T3T4、容积式换热器T5、油箱T6。测温范围-30℃~300℃,精度为士0.10℃,输出信号需要与控制系统匹配,数据要参与计算。
4、压力
共3个,分3处布置,集热器进出口P1P2,油泵出口P3,耐温300℃,耐压0.6MPa,测压范围0~0.6MPa,精度为士50Pa,输出信号需要与控制系统匹配,数据要参与计算。
5、风速
共1个,布置点同环境温度T0,工作温度30℃~50℃,测量范围0~25m/s,精度为士0.5 m/s,输出信号需要与控制系统匹配,数据只显示及储存,不参与计算。
6、验证集热器中温端工作稳定性
在太阳辐照良好时,调整循环油泵流量及热水箱温度,保持集热器在中温度运行一段时间,查看系统参数的变化幅度。
6.1验证一维跟踪与固定平面太阳辐照差异性
通过两个辐照表,收集对比不同季节的太阳辐照,根据数据明确两种方式太阳辐照差异究竟有多大。
6.2得出系统效率
根据太阳辐照以及容积式换热器得热量,可以得出系统效率。
6.3得出集热器效率
根据太阳辐照以及油进出集热器得热量,可以得出集热器效率,拟合效率方程。
6.4得出集热器压力损失
根据集热器进出口压力降及流量,可以绘制流量--压力降图。
6.5为今后搭建系统设计中高温产品积累数据。
(二)TRM-2BN型太阳能中高温集热器热性能测试系统技术指标及特点
| 项数 | 项目 | 技术参数 | 备注 | |
|---|---|---|---|---|
| 1 | 太阳辐射 | 测量范围 | 0~2000W/m2 | 国家一级表, 美国Eppley技术。测量倾斜面总辐射,水平面总辐射 |
| 测量精度 | <5% | |||
| 显示分辨率 | 1 W/m2 | |||
| 显示内容 | 瞬时值,日累计量等 | |||
| 通道数 | 2路 | |||
| 2 | 太阳直接射辐射 | 测量范围 | 0~2000W/m2 | 国家一级表, 美国Eppley技术。测量倾斜面总辐射。 |
| 测量精度 | <5% | |||
| 显示分辨率 | 1 W/m2 | |||
| 显示内容 | 瞬时值,日累计量等 | |||
| 通道数 | 1路 | |||
| 3 | 管路温度 | 测量范围 | 0~300℃ | 集热器进出口T1T2、容积式换热器油路进出口T3T4、容积式换热器T5、油箱T6。 |
| 测量精度 | ±0.2℃ | |||
| 4 | 环境温度 | 测量范围 | -40~+60℃ | 不锈钢封装,Φ4×40mm,全密封,防腐,防水,带防辐射罩 |
| 测量精度 | ±0.1℃ | |||
| 显示分辨率 | 0.1℃ | |||
| 通道数 | 1路 | |||
| 5 | 环境风速 | 测量范围 | 0~70m/s | |
| 测量精度 | ±0.5m/s | |||
| 显示分辨率 | 0.1 m/s | |||
| 通 道 数 | 1路 | |||
| 6 | 管路流量计 | 测量范围 | 0~0.6MPa | 集热器进出口P1、P2,油泵出口P3, |
| 精度 | ±50Pa | |||
| 耐温 | 300℃ | |||
| 耐压 | 0.6MPa | |||
| 通 道 数 | 3路 | |||